晶振中心
進口晶振
- SMI晶振
- KDS晶振
- 精工晶振
- 西鐵城晶振
- 愛普生晶振
- 村田晶振
- 日本NDK晶體
- 京瓷晶振
- 臺灣TXC晶振
- 泰藝晶振
- 亞陶晶振
- 希華晶體
- 臺灣津綻晶體
- 美國CTS石英晶振
- 加高晶體
- 大河晶振
- 鴻星晶振
- 富士石英晶體
- AKER晶振
- Lihom晶振
- NAKA晶振
- NKG晶振
- NJR晶振
- Sunny晶振
石英晶體諧振器
歐美晶振
- Abracon晶振
- ECS晶振
- Golledge晶振
- ILSI晶振
- FOX晶振
- fujicom晶振
- AEK晶振
- CRYSTEK晶振
- interquip晶振
- Geyer晶振
- quartzcom晶振
- qantek晶振
- EUROQUARTZ晶振
- quarztechnik晶振
- Cardinal晶振
- FRE-TECH晶振
- KVG晶振
- wi2wi晶振
- AEL晶振
- Transko晶振
- suntsu晶振
- mmdcomp晶振
- MERCURY晶振
- MTRONPTI晶振
- RALTRON晶振
- Microcrystal晶振
- SITIME晶振
- IDT晶振
- Pletronics晶振
- STATEK晶振
- Rakon晶振
- ConnorWinfield晶振
- JAUCH晶振
- VECTRON晶振
- Greenray晶振
- ECLIPTEK晶振
- ACT晶振
- MTI-milliren晶振
- Rubyquartz晶振
- Oscilent晶振
- SHINSUNG晶振
- ITTI晶振
- PDI晶振
- IQD晶振
- Microchip晶振
- Silicon晶振
- Fortiming晶振
- CORE晶振
- NIPPON晶振
- NICKC晶振
- QVS晶振
- Bomar晶振
- Bliley晶振
- GED晶振
- FILTRONETICS晶振
- STD晶振
- Q-Tech晶振
- Anderson晶振
- Wenzel晶振
- NEL晶振
- EM晶振
- PETERMANN晶振
- FCD-Tech晶振
- HEC晶振
- FMI晶振
- Macrobizes晶振
- AXTAL晶振
- ARGO晶振
- Skyworks晶振
- Renesas瑞薩晶振
- DEI晶振
數碼產品
智能家電
時計產品
車載產品
石英晶體振蕩器
.jpg)
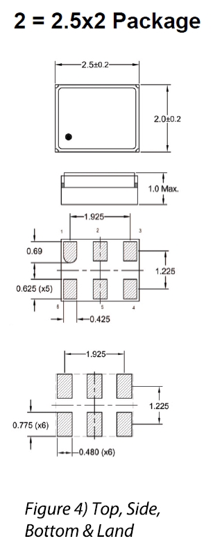
ECS晶體,ECS振蕩器,ECXV-H2壓電晶振.有源晶振,是只晶體本身起振需要外部電壓供應,起振后可直接驅動CMOS集成電路,產品本身已實現與薄型IC(TSSOP封裝,TVSOP封裝)同樣的1mm厚度,斷開時的消費電流是15µA以下,編帶包裝方式可對應自動搭載及IR回流焊盤(無鉛對應)產品有幾種電壓供選1.8V,2.5V,3V3.3V,5V,以應對不同IC產品需要.
貼片晶振晶片邊緣處理技術:貼片晶振是晶片通過滾筒倒邊,主要是為了去除石英晶振晶片的邊緣效應,在實際操作中機器運動方式設計、滾筒的曲率半徑、滾筒的長短、使用的研磨砂的型號、多少、填充物種類及多少等各項設計必須合理,有一項不完善都會使晶振晶片的邊緣效應不能去除,而石英晶振晶片的諧振電阻過大,用在電路中Q值過小,從而電路不能振動或振動了不穩定.

ECSInc晶振有大約100家聯合銷售辦事處和遍布全球15個國家的合作伙伴.我們有世界級的市場營銷、銷售、分銷、工程和客戶服務團隊,他們每天都參與一個全球性的技術網絡,他們的焦點僅僅是為客戶提供最好的解決方案.從初創企業到全球財富500強組織.所使用到的晶振,貼片晶振,石英晶體振蕩器,有源晶振壓控晶振等元件遍布各行各業..

| 晶振項目 | 符號 | 產品規格 |
|---|---|---|
| 標稱頻率 | f_nom | 10~250MHz |
| 頻率公差 | ppm | ±20,±25,±50,±100ppm |
| 輸出條件 | HCMOS | |
| 電源電壓 | Vcc | +2.5V |
| 負載電容 | CL | 15pF |
| 串聯電阻(ESR) | R1 | 70kΩ Max. |
| 絕對最大驅動電平 | DLmax. | 0.5μW Max. |
| 驅動電平 | DL | 0.1μW typ. |
| 并聯電容 | C 0 | 1.0pF typ. |
| 頻率老齡化 | f_age | ±3x 10-6/Year |
| 工作溫度 | T_use |
−10ºC to +70ºC -40℃ to+85℃ |
| 儲藏溫度 | T_stg | −55ºC to +125ºC |

噪音
在電源或輸入端上施加執行級別(過高)的不相干(外部的)噪音,可能導致會引發2520mm貼片晶振功能失常或擊穿的閉門或雜散現象.
電源線路
電源的線路阻抗應盡可能低.
輸出負載
建議將輸出負載安裝在盡可能靠近石英振蕩器的地方(在20mm范圍之間).
未用輸入終端的處理
未用針腳可能會引起噪聲響應,從而導致石英晶振非正常工作.同時,當P通道和N通道都處于打開時,電源功率消耗也會增加;因此,請將未用輸入終端連接到VCC或GND.
抗沖擊
貼片晶振可能會在某些條件下受到損壞.例如從桌上跌落或在貼裝過程中受到沖擊.如果產品已受過沖擊請勿使用.
輻射
暴露于輻射環境會導致石英晶振性能受到損害,因此應避免照射.
化學制劑/pH值環境
請勿在PH值范圍可能導致腐蝕或溶解進口晶振或包裝材料的環境下使用或儲藏這些產品.
粘合劑
請勿使用可能導致2520mm壓控振蕩器所用的封裝材料,終端,組件,玻璃材料以及氣相沉積材料等受到腐蝕的膠粘劑.(比如,氯基膠粘劑可能腐蝕一個晶振單元的金屬“蓋”,從而破壞密封質量,降低性能.)
.

伊西斯石英晶振堅持在發展中保護、在保護中發展,積極探索環境保護新道路,切實解決影響科學發展和損害群眾健康的突出環境問題,全面開創環境保護工作新局面.
充分認識加強環境保護工作的重要性和緊迫性,把環境保護擺在更加重要的戰略位置,以對國家、對民族、對子孫后代高度負責的精神,切實做好環境保護工作,推動經濟社會全面協調可持續發展.
ECS晶振公司提供從材料的選定到廢棄過程中考慮環境質量的產品.加強制度建設,深化環境監管,向環境污染宣戰,促進經濟與環境協調發展.
積極參與公司內部活動和地區環境改善活動,為社會做出貢獻,實現公司的社會責任.實施公司內部環境培訓和訓練,推進防污染和環保活動.遵守國內外法律,遵守與客戶和地區的約定事項,與日常業務相融合,努力開展繼續改善環境的工作.
創造并提供專研了“省、小、精”的32.768K鐘表晶振,溫補晶振,石英晶振,有源晶振,壓控振蕩器等水晶元器件及其關聯產品;并且構筑和革新既可以降低環境負荷又可以提高生產性的生產流程的活動.


深圳市康華爾電子有限公司SHENZHEN KONUAER ELECTRONICS CO.,LTD
電 話:0755-27838351
手 機:13823300879
Q Q:632862232
E-mail:konuaer@163.com
網 址:http://www.mxsir.cn
地 址:廣東深圳市寶安寶安大道東95號浙商銀行大廈1905











業務經理